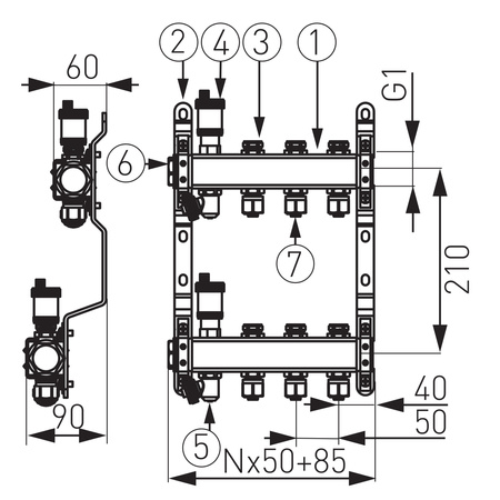
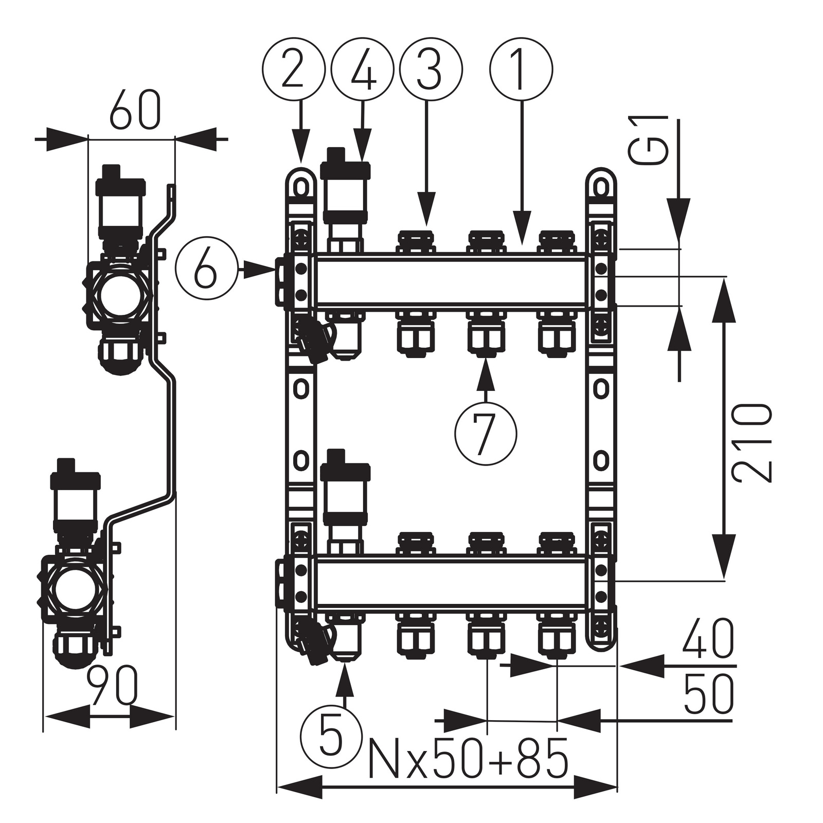
Rozdzielacz 9-drogowy z zaworami odcinającymi obwody, ze złączkami, stal nierdzewna
Charakterystyka:
Rozdzielacze są elementem systemu centralnego ogrzewania, który rozprowadza (rozdziela) czynnik grzewczy na poszczególne odcinki instalacji grzewczej.
Znajdują zastosowanie w instalacjach grzejnikowych ogrzewania i chłodzenia płaszczyznowego oraz układach mieszanych.
Umożliwiają precyzyjną regulację instalacji i niezawodną pracę całego systemu ogrzewania.
Zalety rozdzielaczy:
-
Precyzyjne i solidne wykonanie
-
Wysoka jakość użytych materiałów
-
Wykonanie: mosiądz CW617N
-
Uchwyty montażowe – w zestawie
-
Zawory kulowe ze złączką do rury PEX-AL-PEX 16 x 2, 2 szt. na każdy obwód – w zestawie
-
Zespoły odpowietrzająco-spustowe z odpowietrznikiem automatycznym i zaworem spustowym z mosiężną końcówką do węża, 2 szt. - w zestawie
Marka
Symbol
SN-RO09S
Kod producenta
5902194965880
Dlugość (cm)
39.0
Wysokość (cm)
11.0
Głębokośc (cm)
70.0
Długość belki [mm]
535
Ilość belek
2
Ilość korków
2
Ilość nypli
18
Ilość sekcji
9
Ilość zaworów spustowych
2
Kod kreskowy
opakowanie z kodem kreskowym umożliwiającym sprzedaż detaliczną
Materiał korka
mosiądz
Materiał korpusu/materiał wykonania
stal nierdzewna
Media
woda
Podtyp
glikol 50%
Przepływomierze do regulacji przepływów w zestawie
SN-RO
Rodzaj nypli
nie
Rodzaj zaworów na belce powrotnej
G1/2 ze złączkami do rury wielowarstwowej 16x2 mm
Rodzaj zaworów odcinających
zawory odcinające grzybkowe
Rodzaj zaworu odpowietrzającego
obrotowe G1/2xG3/4
Rozmiar belki
automatyczny
Rozmiar korków
1"
Rozstaw belek [mm]
G1
Sposób pakowania jednostkowego
210
Ilośc sztuk na palecie
12
Do pobrania
Zapytaj o produkt
Napisz swoją opinię







